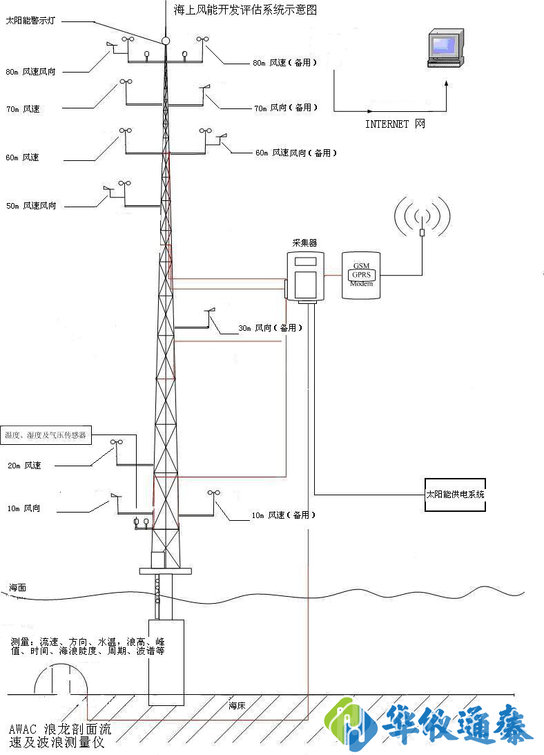
美国Campbell SR3000海上风能评估测量系统测量由海上和海下部分组成,海上部分包括:数据采集器、通信???GPRS)、气象传感器和太阳能电源系统、航空障碍灯;海下部分包括:挪威Nortek公司AWAC超声波式剖面流速波浪测量仪。
关键字:Campbell SR3000,SR3000海上风能评估测量系统
美国Campbell SR3000海上风能评估测量系统测量由海上和海下部分组成,海上部分包括:数据采集器、通信???GPRS)、气象传感器和太阳能电源系统、航空障碍灯;海下部分包括:挪威Nortek公司AWAC超声波式剖面流速波浪测量仪。
美国Campbell SR3000海上风能评估测量系统简介:
海上风资源主要测量要素包括气象要素(风速、风向、温度、压力、湿度)和海洋物理要素(波、浪、流速、潮、海水盐度、浊度等,测量海流、波、浪)。
SR3000海洋风能评估测量组成:
海上部分:数据采集器、通信???GPRS)、气象传感器和太阳能电源系统、航空障碍灯构成。
海下部分:挪威Nortek公司AWAC超声波式剖面流速波浪测量仪。
美国Campbell SR3000海上风能评估测量系统配置:
1、CR3000数据采集器

有28个单端通道,4个脉冲通道(可以测量开关信号、高频脉冲和低频交流脉冲),8个数字通道(可以接开关、高频脉冲或组合成4组RS232 COM输入/输出),一个CS I/O通讯口,一个RS232通讯口。1个并口可以接入CFM100 CF卡适配器或TCP/IP 通讯接口。液晶数字显示??梢允迪忠韵鹿δ埽?/span>
可直接接入三个风速和风向。
可以把辅助系统数采器通过COM输入/输出导入本系统,并把该系统数据进行远程传输;
NORTEK的数据通过COM直接导入本系统,组成一体的海上海下监测系统。
2、A100LM风速风向传感器
风速采用达到风能监测1级标准(First Class)的英国Wind Speed Ltd 公司产品A100LM。
启动风速:0.2m/s
*大风速:77 m/s
精度:1%±0.1 m/s(50 m/s);2%(50 m/s以上)
杯距常数:2.3m±10%
工作环境温度:-30~70 ℃
风向采用英国Wind Speed Ltd 的W200P
启动风速:0.6m/s
*大风速:75 m/s以上
精度:±2°
工作环境温度:-50~70℃
3、HygroclipS3空气温湿度传感器

工作范围:-40~60℃
测量范围:0~100%RH,-40~60℃
精度:±1.5%RH;±0.3℃(23℃)
尺寸:100mm×15mm
防护等级:IP65
4、CS100大气压力传感器

精度:±0.5mb(+20℃)
分辨率:±0.01mb±1.0mb0°to40℃
长期稳定性:±0.1mb每年±1.5mb(-20~50℃)
响应时间:<100ms
滞后作用:0.05mb
操作温度:-40~60℃
5、RM Young 05106强风仪

风速
量程:0~100m/s
精度:±0.3m/s
启动风速:1.1m/s
阵风风速:100m/s
旋桨距离常数:2.7m
输出:交流电压
风向
量程:0~360°(机械),355°(电子)
精度:±3°
10°位移启动:1.1m/s
输出:模拟信号
电源:开关激发电压
操作温度:-50~50℃(非凝结环境)
6、AWAC声波多普勒剖面流速与海浪测量仪

用于测量不同水位的水流流速和流向,包括:流速、方向、水温、浪高、峰值、时间、海浪陡度、周期、波谱等海洋水文技术参数。
Nortek的AWAC(AcousticWaveAndCurrent)声学多普勒剖面流速及海浪测量仪,采用三个波束测量多达128层的剖面流速,并利用第四个垂直波束对海浪表面进行声波扫描。加上高精度的压力传感器,准确地进行波浪方向谱分析。可以自容式独立使用,也可以实时在线使用。软件包括所需的波浪处理运算?!袄肆庇τ盟钗?~30米,从设备到水面分区可多达128层测量剖面流量。采用压力传感和垂向声束联合测量浪高。通过采集靠近表面的波浪运动数据来计算波浪方向。
AWAC系统集多普勒声学测量、温度、压力传感器、倾斜仪和罗盘于一体,以及内置存储器和两个可外接其他模拟传感器的接口。系统设置、实时数据采集和数据回放完全适用试用于Window95/98/NT/2000的软件平台,也可以通过RS232/RS42接口由其他控制设备操作,或由装有ActiveX软件的计算机进行操作控制。系统调制解调器可接入沿海的计算网络。硬件设计采用可选的48V电源,使电缆长度可超过5km,而且在掉电或电缆断开时可自动备份数据。
7、太阳能航空障碍灯

闪光频率:20~60次/分(可调)
闪光管寿命:1×108次
工作环境:-40~70℃
免维护蓄电池:寿命5年,12V,24AH
防护等级:IP65
发光强度:>40000cd
光控灵敏度:200LX(可调)
系统示意图
